多功能充电器

更多资料请到->家电维修技术论坛 发表时间 12-05 编辑:guohuiping 浏览量: 422

         使用过镍镉充电电池的人都会有这种感觉, 新电池效果不错, 但充电几次后,使用效果就大不如以前。这是因为镍镉电池有记忆效应,随着充电次数的增加,加上充电方法不当,这种情况愈加明显。所以一般提倡电池要用尽后再充电,最好充电前能对电池进行放电,但过度放电又会损坏电池,而且每次充电需10-12小时,使得使用起来非常麻烦,稍不留意就会损坏电池。针对这些情况,本人设计了下面的充电器,经使用,效果很好。本装置是一个带放电功能、全自动快速(1小时)、恒流充电器。它具有充电指示、放电指示、充电结束自停并有声、光提醒,涓流维持等功能。下面简单介绍该装置的工作原理及制作方法。

工作原理

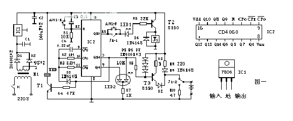
         工作原理如图一所示。它是以CD4060为核心的控制器。CD4060是14位二进制串行计数/分频和振荡器。它由两部分构成:一部分电路是14级分频器,其分频系数为16~16384(由Q4~Q14输出)。另一部分电路是振荡器,可由外接电阻和电容构成RC振荡器。f=1/2.2RT CT。见图二。本装置由C4、R2、R3 组成频率约为0.2Hz的振荡器。

        接通充电器电源开关K,由C3,R1组成上电复位电路使IC2复位,IC2开始计数,Q4~Q14输出为低电平。T3导通,由D5~D7,T3,R8,组成恒流源, 通过J1-2的常闭触点对电池充电。IC2的Q4输出周期约3.3秒的方波,使LED2红色发光二极管周期性发光,指示正在充电。约1小时后,Q14输出高电平,T3截止,充电结束。此时LED2緑色发光二极管点亮。同时Q14的高电平通过D3迫使振荡器停振,停止计数。另一路通过R4使T1导通,HTD工作。实现充电结束自停,并声、光报警。D8、D9为防止充电结束后或停电后电流反送而设置的。同时由R9、D9实现涓流维持功能。

对于充电效果不佳的电池,我们可以采用先放电再充电的方法充电。此时只需在通电后,按动一次AN1,IC2清零。由于Q10为低电平及AN1-2的瞬间接通,使T2导通,J1-1接通自保,同时J1-2常开触点接通,使被充电池通过R10放电,约3.5分钟后,Q10变为高电平,T2截止,J1-2断开,自动进入充电程序。考虑到镍镉电池不宜过度放电,且一般充电之前,电池已基本用尽。为确保安全,本装置选择的放电时间较短,放电电电流约50mA.。

制作与调试

  元器件的选择可参照图一。LED2为双色发光二极管,如没有可用两只普通发光二极管代替效果一样。HTD为自振荡蜂鸣器。为保证定时精确度,C4可选用性能较稳定的电容。其它元器件无特殊要求。计数器正常工作时,Q4应输出周期约3秒的高电平(即LED2为红色闪烁)。通过改变D5~D7的数量和R8的阻值使充电电流控制在100mA左右。调节R9使涓流维持为10mA左右。改变R10使放电电流在50mA左右。图一给出的元件参数适用于2节5号镍镉电池充电。

本文出自家电维修网: http://www.bjjdwx.com/wz/2008-12-05/1220.html欢迎转载,转载请保留链接。
  • 刊登此文只为传递信息,并不表示赞同或者反对作者观点。
  • 如果此内容给您造成了负面影响或者损失,本站不承担任何责任。
  • 如果内容涉及版权问题,请及时与我们取得联系。

文章评论

共有 位网友发表了评论 查看完整内容